热线电话:
浙江省丽水市南山工业园区南园四路11号
0578-2301909
联络地址:
English
简体中文
首页
关于我们
公司简介
荣誉资质
产品中心
杆端关节轴承
向心关节轴承
直线轴承系列
线性滑轨系列
滚珠丝杆系列
油缸耳环
螺塞毛胚
U型插
客户服务
售前服务
售后服务
新闻资讯
联系我们
AM 8:00 - PM 19:00
客服时间
Intelligent Innovation, Leading Safety
首页
∷
向心关节轴承
∷
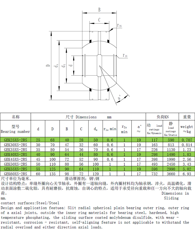
GEK25...60XS-2RS
GEK25...60XS-2RS
发布时间: 2020-12-19 10:31
商品信息
上一个:
GEZ19...GEZ152ET-2RS
下一个:
GE15ET-K...GE60ET-K